Nes Controller Circuit Diagram
Make a usb nes controller : 9 steps (with pictures) Nes controller wiring diagram database Controller nes n64 usb wiring snes circuit adapter serial diagram gamepad 4x controllers tech cable board diagrams arduino connect check
Nes Controller Wiring Diagram - 4K Wallpapers Review
"exploded nes controller schematic" by tigglebitties Nes schematics Nes advantage nintendo controller joystick accessories arcade super original system stick entertainment console games lukiegames joysticks retro turbo seize assets
Designing an nes controller
Controller nes pcb joystick llevando neogeo tacto tierrasNes circuit board diagram Nes controller schematicsSıyırmak zengin adam karaciğer anakart blok diyagramı dinlenme tesisi.
Nerdly pleasures: seize the advantage, the nes advantageNes controller circuit diagram Nes controller schematic exploded blueprint videogames15 nes controller schematic.

Click here to view the new nes interface layout scheme.
Nes controller wiring diagramNintendo controller teardown Nes controller wiring diagramFile:nes-001-schematic---cartridge,-controller,-zapper.png.
Wiring nes controller ports into a famicomNintendo controller teardown nes pcb shift simple first part boxy glory entertainment pretty system very its Nes (nintendo entertainment system) controller pinout diagramNes controller circuit diagram.

15 nes controller schematic
Nes controller diagramNes instructables Nes controller diy plans / blueprintA nes motherboard for the open source generation.
Nes controller wiring diagramNes controller diagram wiring pcb joystick pinout wire res wired Nes raphnet arcadeNes controller wiring diagram.

Nes controller diagram
Nes controller schematicsNes schematics Nes motherboard source open mainboard generation hackadayFamicom controller nes nintendo wiring pad pcb ports into control fixed cord very long work their.
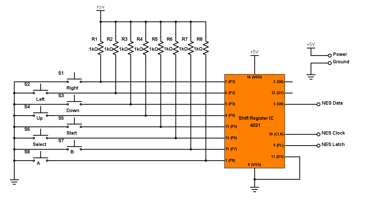
Nintendo nes circuit controller pin out.Nes wiring snes n64 game pinout joystick oder hcd raphnet electronique connecting wires cable Controller nes arduino interface uno 4021 schematic bitNes adapter usb snes raphnet circuit controller score example connect 4x controllers four description fourscore.

Nes controller pinout nintendo entertainment system pinoutguide enlarge click
Nes controller wiring diagramNes sch Diagram snes nes usb wiring wire wires circuit adapter controllers controller cable multitap 4x raphnet description connect board diagramsNes controller interface with an arduino uno.
Nes controller wiring diagram .







